Thương hiệu: Trung Quốc Bảo hành: 12 Tháng
1,200,000 đ
Gá uốn mẫu vữa 40x40x160mm là dụng cụ để gá mẫu vữa xi măng 40x40x160mm để thí nghiệm xác định cường độ, theo tiêu chuẩn TCVN 6016:2011; ISO 679:2009
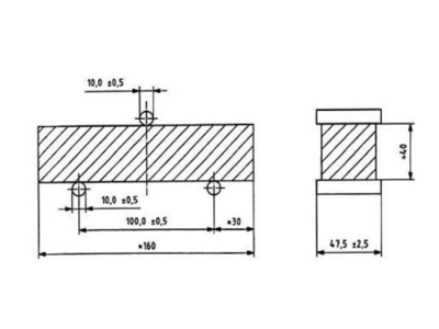
Gá nén vữa xi măng 40x40mm
Xuất xứ: Trung Quốc
Phù hợp tiêu chuẩn: TCVN 6016:2011; ISO 679:2009
1. Mục đích sử dụng:
Gá nén vữa xi măng 40x40mm là dụng cụ để gá mẫu vữa xi măng 40x40mm để thí nghiệm xác định cường độ, theo tiêu chuẩn TCVN 6016:2011; ISO 679:2009
2. Thông số kỹ thuật:
1. Chất liệu chế tạo: Thép cường độ cao
2. Kích thước tấm ép trên dưới: 40x40mm
3. Tổng trọng lượng: 6Kg

Sản phẩm cùng loại
Bộ xuyên xác định thời gian bắt đầu đông kết vữa tươi, model: ZKS-100
Xác định thời gian bắt đầu đông kết của vữa tươi tính từ khi đổ nước vào hỗn hợp khô đến khi mẫu
vữa chịu được lực đâm xuyên xác định.
Phù hợp TCVN 7572-14 : 2006
phương pháp xác định khả năng phản ứng kiềm silic của các loại cốt liệu chứa silic dioxit: phương pháp hoá học (Phương pháp A)
Phương pháp A là phương pháp nhanh, áp dụng cho cốt liệu nằm ở vùng vô hại trên giản đồ phân vùng khả năng phản ứng kiềm - silic của cốt liệu.
Máy mài mòn bê mặt gạch Ceramic này dựa trên GB/T4100-2015 "Gạch men", ISO/DIS 10545/7-1996 "Phương pháp thử độ bền mài mòn bề mặt của gạch men - Gạch men" và tiêu chuẩn GB/T3810.7-2006, GB/T3810. 7-2016 "Phương pháp thử độ bền mài mòn của gạch men". Đặt một lượng chất mài mòn nhất định lên bề mặt tráng men của gạch men, mài chất mài mòn trên gạch men và so sánh trực quan sự khác biệt trên bề mặt tráng men của mẫu nền.
Thiết bị này còn phù hợp tiêu chuẩn: TCVN 6415-7:2016
Model: CA-2A áp dụng tiêu chuẩn quốc gia GB/T 750 và được các đơn vị sản xuất xi măng, viện nghiên cứu vật liệu xây dựng, trường cao đẳng, đại học và phòng kiểm tra chất lượng xây dựng sử dụng để xác định tác động của MgO (magiê oxit) trong xi măng lên độ ổn định của xi măng.Các dụng cụ đặc biệt để đo các tác dụng phụ. Thiết bị tăng tốc quá trình hydrat hóa pericla trong clinker trong điều kiện nhiệt độ và áp suất cao để đo lường sự thay đổi không đồng đều về thể tích xi măng có thể do quá trình hydrat hóa pericla gây ra.
Địa chỉ: Km số 9, đường 72, Cộng Hoà, Quốc Oai, Hà Nội
Chi nhánh TP.HCM: Số 116/61/3 Đường Thạnh Xuân 13, Phường Thạnh Xuân, Quận 12
Phone: 0966 449 333 - 0933 913 888 - 0933 702 888 - 0969 505 822
Email: anphat283@gmail.com
Website: www.kiemdinhanphat.vn